鉅大鋰電 | 點擊量:0次 | 2018年05月13日
鋰離子電池組監測電路如何設計?
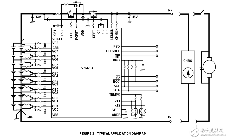
Intersil的ISL94203EVAL1Z是一個工具包促進測試的ISL94203鋰離子電池組監測和控制集成電路。ISL94203監控電池電壓,電流和溫度。它將電池電壓、電流和溫度12位數字值,提供平衡控制,提供了完整的獨立的電池操作。ISL94203默認獨立可以覆蓋操作由外部微控制器。PC圖形用戶界面(GUI)支持所需的鉤子監控獨立與外部操作和演示操作微控制器。
電路特性
電池電壓監測支持鋰離子獨立包控制——不需要單片機,多種電壓以及可編程檢測/恢復,滿足過電壓,欠壓、過流和短路條件,在配置維護/校準寄存器,開放電池連接檢測,集成充電/放電場效應晶體管驅動電路內置,電荷泵支持高端n溝道場效應晶體管,平衡使用外部場效應晶體管和內部狀態機或外部微控制器,時間的不活動后進入低功耗狀態。充電或放電電流檢測恢復正常掃描率。

功能描述
這種集成電路的目的是成為一個獨立的電池監視器,所以它沒有使用一個提供監控和保護功能外部微控制器。定位部分的功率控制場效應晶體管偏高內置充電泵驅動n溝道場效應晶體管。當前的檢測電阻也偏高。權力是最小化各領域,部分電路供電大多數的時間,延長電池壽命。在同一時間、RGO輸出停留在任何連接單片機可以大部分時間仍在。ISL94203包括:輸入電平位移器,使監測電池堆棧電壓,14位ADC轉換器,電壓讀數修剪和結果保存為12位,1.8v電壓參考(0.8%準確),.5v調節器,volt年齡保持在睡眠中
電源路徑連接

上圖顯示了一個主電源路徑連接充電/放電路徑。
鋰離子電池組監測電路設計

上圖顯示了連接單獨的充電/放電路徑。
上一篇:鋰離子電池組內短路保護如何實現?
下一篇:全固態電池好不好?










